不光是代碼有可讀性的說法,原理圖也有。很多時候PCB設計工程師畫原理圖不僅僅是給自己看的,也會給其它人看,如果可讀性差,會帶來一系列溝通問題。所以,要養成良好習慣,做個規范的原理圖。此外,一個優秀的原理圖,還會考慮可測試性、可維修性、BOM表歸一化等。
PCB設計畫好原理圖的技巧
1 分模塊
如上圖所示,用線把整張原理圖劃分好區域,和各個區域寫上功能說明,如:電源、STM32等。
這樣讓人更清晰、更快速地理解整個原理圖,調試、維修的時候也很容易根據問題來查找電路。
2 標注關鍵參數
如上圖,標注了最大輸出電流,這樣可以方便別人修改電路的時候,知道電源能不能帶得起負載。
也可以寫其它參數,如:輸入電壓范圍,適用的溫度范圍,甚至是數字電路中的真值表等。
3 電阻/電容/電感/磁珠的注釋
電阻
如上圖所示,每個電阻都寫上阻值、精度。針對大功率電阻,也可以寫上功率,要視具體情況靈活變通。
一般對于開關電源上的采樣電阻以及運放電路上的電阻得用1%精度,上下拉電阻可以使用5%精度。
注意:這里的阻值不建議寫成102,要直接寫成1K。盡量不要讓別人去做這個換算,或者人家也不會算。
電容
如上圖所示,每個電容都寫上了容值和耐壓。針對高精度電容,也可以寫上精度,或者是材質。
如:瓷片電容的材質有X7R、Y5V、NP0等。
注意:這里的容值不建議寫成105,要直接寫成1uF。
電感
如上圖所示,每個電感都寫上電感值和飽和電流。
磁珠
如上圖所示,每個磁珠都寫上阻值和對應的頻率。
其它元件
其它元件也是和電阻、電容等類似,如:晶振8MHz 50ppm等,要舉一反三。
4 可維修性
如上圖所示,增加L1電感,以便維修時可以斷開,更容易排查故障。這里可以使用電感、磁珠或者0R電阻,視具體情況而定。
但是也有特殊情況,如果負載特別大,需要的串入的元件功率很大,成本增加太多,也是劃不來的,這時,可以不加。
如果后面接的是QFP64封裝之類芯片,功率又比較小,可以串入元件,因為QFP焊接不良的情況會比較多。
5 BOM表歸一化
BOM表就是物料清單,盡量讓物料的種類少一些,可以讓采購員減少工作量,也會在生產上減少很多問題。
這里有兩個上拉電阻,一個4.7K,一個10K,如果這個阻值影響不大的話,可以把它們都合并為10K。
去耦電容也是雷同的操作,要舉一反三。
6 電源和地的符號
如上圖所示。對于雙電源系統來說,要在電源符號上寫上正負號,單電源系統可以只寫正號。
但是千萬不要用VCC,不然別人看的時候還要觀察一下是幾V供電的。
如上圖所示,只有一個地平面,則用GND。有數字地和模擬地,則用AGND、DGND。
也有一些系統還有視頻地、音頻地等,也要用不同的符號。
注意:不要把GND這些網絡名給隱藏掉了,會容易出問題。
7 測試點
如上圖所示,增加了測試點。測試點也就是一個圓形的pad,裸銅的。
在一些QFP、BGA、QFN封裝的芯片,有的引腳很難用示波器測量,這時可以增加測試點,方便操作。
8 網絡標號
如上圖所示,PC7、PC6是接OLED12864的IIC接口。這里的網絡標號增加OLED前綴,以減少網絡標號的沖突,也增加了可讀性。同理,接溫度傳感器的網絡可以寫DS18B20_DATA,網絡標號上增加了元件名。其它的芯片也是一樣的操作。
所有的網絡標號均使用大寫字母。
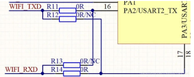
9 容錯性/兼容性
在設計初期或是不經意,或是工期太趕,就沒有那么多時間去研究電路上的接法是否正確。
這時可以使用一些預留的電路,來提高整板的容錯性。
如上圖所示,假設工程師還不確定是RX對TX還是RX對TX時,可以使用四個電阻來實現這兩種接法。(NC為不接)
焊上R11和R14,不焊R12和R13時,是RX對RX,TX對TX的接法。
不焊R11和R14,焊上R12和R13時,是RX對TX,TX對RX的接法。
當調試通過后,再把這四個電阻去掉,并連上正確的接法。這樣既能保證工期,又不會出錯。
如果一個板子,不太確定用STM32的F103還是F407,此時,可以做成兼容設計。
如上圖所示,圓圈中可放置0R電阻,使用F103時,把0R焊上,電容不焊。使用F407時,把電容焊上,0R不焊。
當然,也可以預留其它電路,要舉一反三。
10 NC、NF
原理圖上常常出現NC和NF兩種字符,如下圖所示,是不接、不焊的意思。
NC=Not connect 不接。
NF=Not Fix 不安裝。
當然,NC也可以表示為normal close常閉,在繼電器、接觸器上用的多。
要視具體情況來辨認。
11 版本變更
很多時候一個電路不是一版就成功的。它會經歷很多版本,每個版本都有變更的地方。這時要明確地標注出來。
如上圖所示,明確地指出,V2版本把C12改成10uF,以便萬一出問題,容易追溯。
12 懸空引腳
懸空引腳也要畫上X。
13 可擴展性
很多時候,需求是不斷變化的。如果僅僅針對當前需求來設計,一旦將來有改動,又要重新打板。
所以,很有必要增加一些預留的引腳、電路,以便快速驗證整板的功能是否滿足新需求。如下圖所示,預留了一些IO口。
14 防呆
有一些接口是不防呆的,也就是存在兩種或多種接法。
如上圖所示,4P杜邦線(合在一起,沒有分開的),有兩種接法:
紅黑白黃
黃白黑紅
然后,該座子在原理圖上是上圖所示的定義,那么會有一種接法導致電源接反,可能會燒壞元件。
如果原理圖是設計成這樣,則不會燒壞元件,因為3.3V電源也就加在GPIO口上而已。
要做防呆,可以使用防呆的座子,如:USB座、航空接口等。
也有另一種方法,對稱設計法。
如上圖所示,引腳的排列是對稱的,也就是無論怎么接,都是沒問題的,只是成本會有所增加。
還有一種方法適用于直流電源的接口,一般是門禁系統用的多。
如上圖所示,增加一個整流橋,不管+13.4V和PGND怎么接,在1、3引腳上都能產生正確的+12V和GND。
當然,這種方法也要考慮成本和功耗等。
15 信號的流向
一些模擬電路,需要標明信號的流向。
如上圖所示,標明了定向耦合器中的信號流向。
16 PCB走線建議
如果PCB不是你畫的話,可以在原理圖上標明PCB的走線規則或者建議。
如上圖所示,標明了一對差分線在PCB上的處理方法。
17 不使用\表示取反
一旦用了“\”,就有可能被wire擋住,然后看不到,從而導致網絡可能連接不正確。
可以考慮用“#”來表示取反。
深圳宏力捷電子是一家專業從事電子產品電路板設計(layout布線設計)的PCB設計公司,主要承接多層、高密度的PCB設計畫板及電路板設計打樣業務。擁有平均超過10年工作經驗的PCB設計團隊,能熟練運用市場主流PCB設計軟件,專業高效溝通保證PCB設計進度,助您早一步搶占市場先機!
深圳宏力捷推薦服務:PCB設計打樣 | PCB抄板打樣 | PCB打樣&批量生產 | PCBA代工代料
